newsunny logo
nissei logo

------nissei GTR日精减速机总代理

 
首页
品牌列表
关于我们
联系我们



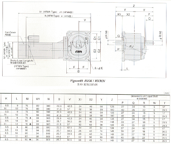
注意:1.所有规格数据都是以mm为单位
     2.40号(0.75KW型号除外)或50号结构的机型将配备吊环螺栓
     3.以上图表给出了A型接线盒的齿轮减速机的规格
     4.黑花表示对于高电压机型(-T□W),有A=A1和M=M1
 


关闭窗口


上海纽西力贸易发展有限公司 Shanghai Newsunny Trade Development Co., Ltd. ©版权所有

首页
品牌列表
关于我们
联系日精nissei