; NAB系列
 |
ACTION:
On exciting the coil. Armature is attracted to field byond the spring
force and makes a gap between inner-disc and outer-disc. Then the
brake is released. Armature is released by interruption of coil
current and pushes inner-disk and outer-disc to end plate by the
spring force, then the brake is actuated by friction. This brake
is closed any time when the coil is not excited. |
| characteristics |
model
No:NAB- |
| NAB-32 |
NAB-34 |
NAB-42 |
NAB-44 |
NAB-52 |
NAB-54 |
| |
2 |
4 |
7.5 |
15 |
22 |
40 |
| |
*200 |
*200 |
90 |
90 |
90 |
90 |
| |
346 |
346 |
383 |
383 |
237 |
237 |
| |
195 |
195 |
240 |
240 |
380 |
380 |
| Allowable braking energy rate |
W |
|
41 |
82 |
98 |
123 |
123 |
123 |
| Allowable braking energy upto gap
adjustment |
MJ |
|
29 |
29 |
57 |
57 |
40 |
40 |
| |
1800 |
| Mechanical life |
1,000,000 |
| |
1.3 |
1.4 |
3.0 |
3.2 |
4.9 |
5.3 |
| Suitable power unit |
HD-10S
| HD-106R |
| |
-10乣+40 |
| model
No.
NAB- |
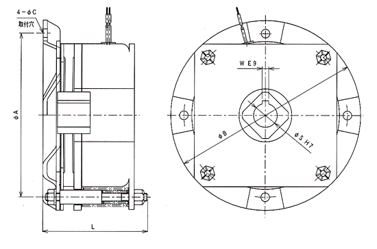
dimension |
| φA |
L |
φB |
SH7 |
WE9 |
φC |
| NAB-32 |
90 |
63.5 |
105 |
12 |
4 |
5.5 |
| NAB-34 |
90 |
71 |
105 |
14 |
5 |
5.5 |
| NAB-42 |
124 |
80 |
144 |
18 |
5 |
6.5 |
| NAB-44 |
124 |
90 |
144 |
22 |
7 |
6.5 |
| NAB-52 |
150 |
89.5 |
170 |
22 |
7 |
9 |
| NAB-54 |
150 |
102 |
170 |
28 |
7 |
9 |
Illustration.
[holes for mounting] |
关闭窗口 |