newsunny logo
shinko logo
 
首页
品牌列表
关于神钢shinko
联系神钢
突出轴型电磁离合/sinfonia_shinko_神钢电机制动器<EP-400>

 

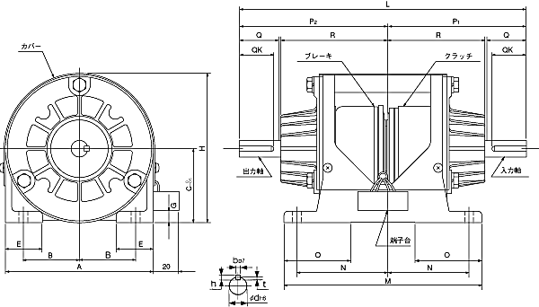
形式

EP-400
sinfonia_shinko_神钢电机离合器
sinfonia_shinko_神钢电机制动器

离合/sinfonia_shinko_神钢电机制动器

SFC-400/FMS-AG
PB-400/FMS-AG

静摩擦トルク   Nm

28
28

定格電圧   DC-V

24
消費電力         W(at75℃)
8
8
質量       kg
8.8


A 172
B 60
C 88
E 36
G 9.5
H 175


L 298
M 170
N 77
O 62
P1 149
P2 149
R 100.5
Z 7

Q 47
QK 40
d 19
b 5
h 5
t 3


DMP-20/24A





FMP-10DA

EMP-20DB

CSM-55DB

CMPH-100/4HA

关闭窗口


上海纽西力贸易发展有限公司 Shanghai Newsunny Trade Development Co., Ltd. ©版权所有

首页
品牌列表
关于我们
联系我们