newsunny logo
shinko logo
 
首页
品牌列表
关于神钢shinko
联系神钢

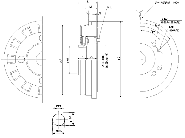
sinfonia_shinko_神钢电机制动器<ERS-1225A/IMS>

 

形  式

ERS-1225A/IMS

静摩擦トルク   Nm 350

定格電圧   DC-V

24
消費電力  W(at75℃) 25

質量             kg

30

单位 : mm



A 320.7
A 117
C 318
D 161.97


L 92.9
M 68.7
N 3.3
P 43
Q 49.9

NJ P.C.D 184.1
ボルト M8x16

d 50
b 12
t 53.5
制御器
FMPR70/24D

 

关闭窗口


上海纽西力贸易发展有限公司 Shanghai Newsunny Trade Development Co., Ltd. ©版权所有

首页
品牌列表
关于我们
联系我们