newsunny logo
shinko logo
 
首页
品牌列表
关于神钢shinko
联系神钢

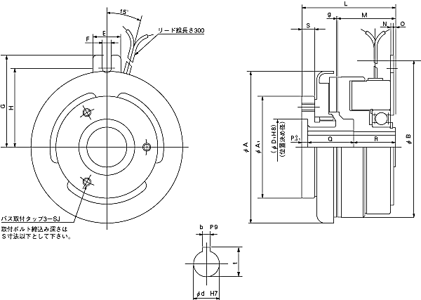
通轴型sinfonia_shinko_神钢电机离合器<JC-2.5>

 

形式

JC-2.5
静摩擦トルク Nm
25
定格電圧     DC-V
24
消費電力   W(at75℃)
16
質量            kg
2.6

単位 : mm



A 118
A1 72
B 110.5
D1 42
E 18
F 6.5
G 69
H 61


L 66
M 40.5
N 2.0
O 1
P 4
Q 33
R 29
S 9
g 0.5

SJ P.C.D 58
タップ M6

d 20
b 6
t
22.8 +0.1
0


DMP-20/24A


EMP-20DB
CSM-55DB
CMPH-100/4HA

上海纽西力贸易发展有限公司 Shanghai Newsunny Trade Development Co., Ltd. ©版权所有

首页
品牌列表
关于我们
联系我们