newsunny logo
shinko logo
 
首页
品牌列表
关于神钢shinko
联系神钢
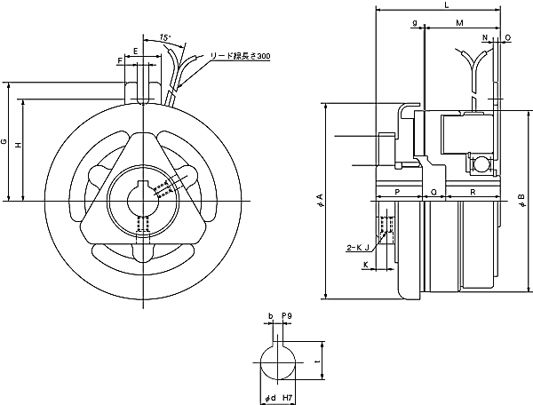
突出轴型sinfonia_shinko_神钢电机离合器<JCC-5>

 

形式

JCC-5
静摩擦トルク Nm
50
定格電圧     DC-V
24
消費電力   W(at75℃)
23
質量            kg
4.3

単位 : mm



A
145
B
135.6
E
20
F
6.5
G
82
H
74


L
74
M
43.5
N
2.6
O
1
P
28
Q
14
R
32
g
0.5

K
6
KJ
M6

d
25
b
8
t
28.3 +0.2
0


DMP-63/24A





EMP-70DB
CSM-55DB
CMPH-250/4HB

关闭窗口


上海纽西力贸易发展有限公司 Shanghai Newsunny Trade Development Co., Ltd. ©版权所有

首页
品牌列表
关于我们
联系我们