newsunny logo
shinko logo
 
首页
品牌列表
关于神钢shinko
联系神钢
电磁离合/sinfonia_shinko_神钢电机制动器<SBS-140>

 

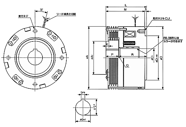
形 式

SBS-140
-4D
-8D
静摩擦トルク   Nm
30
60

定格電圧    DC-V

24
消費電力    W(at75??C)
28

質量             kg

8

受注生産品



A 140
A1 70
C 140
C1 36
D1 100


K 9
L 95
P 29
Q 1
R 65

CJ P.C.D 120
ネジ M8×10

25
7
28


DMP-63/24A





TMP-40D
EMP-70DB
CSM-55DB
CMPH-250/4HB

 

关闭窗口


上海纽西力贸易发展有限公司 Shanghai Newsunny Trade Development Co., Ltd. ©版权所有

首页
品牌列表
关于我们
联系我们