newsunny logo
shinko logo
 
首页
品牌列表
关于神钢shinko
联系神钢
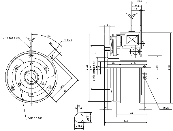
通轴型sinfonia_shinko_神钢电机离合器<SF-400/BMS-AG>

 

形 式

SF-400/BMS-AG

静摩擦トルク   Nm

28

定格電圧   DC-V

24
消費電力         W(at75逤)
8
質量       kg
2.4

单位 : mm

電源箱 DMP-20/24A
制御器 FMP-10DA
EMP-20DB
CSM-55DB
CMPH-100/4HA 



通轴型sinfonia_shinko_神钢电机离合器<SF-400/BMG>

 

形 式

SF-400/BMG

静摩擦トルク   Nm

28

定格電圧   DC-V

24
消費電力         W(at75逤)
8
質量       kg
2.3

单位 : mm

電源箱 DMP-20/24A
制御器 FMP-10DA
EMP-20DB
CSM-55DB
CMPH-100/4HA 

关闭窗口


上海纽西力贸易发展有限公司 Shanghai Newsunny Trade Development Co., Ltd. ©版权所有

首页
品牌列表
关于我们
联系我们